Departamentos
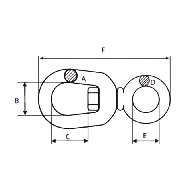
O Destorcedor Olhal x Olhal é um componente essencial para operações de elevação, amarração e movimentação de cargas, projetado para permitir a rotação livre entre dois pontos de conexão, evitando o torcimento de cabos, correntes ou lingas durante o uso.
Com olhais nas duas extremidades, ele oferece facilidade de instalação e garante uma conexão segura e eficiente, mantendo o alinhamento correto da carga. Esse modelo é amplamente utilizado em ambientes industriais, offshore, portuários e de construção, onde a confiabilidade e a segurança são fundamentais.
Material Base: Aço Carbono SAE 1045 forjado.
Norma de Referência: US FED RR-C 271D, Tipo VII, Classe I.
Resistência à Tração: 585 MPa. Para mais informações,
entre em contato com nosso departamento comercial.
