Departamentos
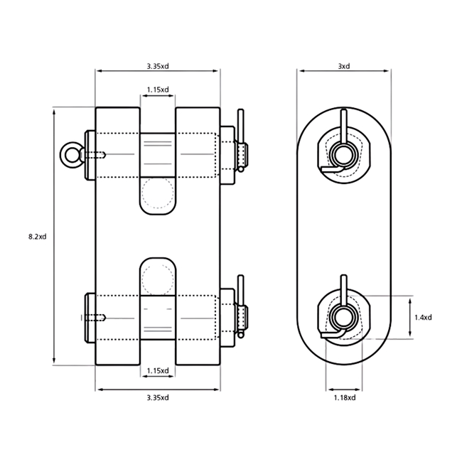
O H-Link Forjado é um componente essencial para operações de içamento, transferência e equalização de cargas, especialmente em sistemas de lingas múltiplas. Seu formato em “H” permite a conexão simultânea de diferentes pernas da linga, garantindo distribuição equilibrada da carga, maior estabilidade e segurança durante a operação.
Base Material: Forjado em Aço liga (Alloy Steel)
Grau: R3/R3S/R4/R4S/R5
Norma de Referência: EN 10204
Compatível com: corrente – corrente / corrente – soquete / corrente – triplate.
